Oil For Xs650 . Add oil through the dip stick hole. Parts have been carefully selected by experienced staff with many years experience looking. Semi synthetic, fully synthetic or conventional. in this guide, we've listed yamaha's recommended engine oil for a broad range of models, dating back over two decades.as. fairly soon i'm going to be fitting the starter gear repair kit so it seems like the perfect time to change the oil. i'm sure this is an old chestnut but which oil should i use? you will hear all sorts of stuff about oil, mostly it is myth. Periodic oil change 2.5 lit (2.6 qt): change your choice of oil about twice as often as they recommend, the all roller and ball xs650 engine will wear.
from www.xs650.com
Periodic oil change 2.5 lit (2.6 qt): in this guide, we've listed yamaha's recommended engine oil for a broad range of models, dating back over two decades.as. Parts have been carefully selected by experienced staff with many years experience looking. you will hear all sorts of stuff about oil, mostly it is myth. change your choice of oil about twice as often as they recommend, the all roller and ball xs650 engine will wear. Add oil through the dip stick hole. fairly soon i'm going to be fitting the starter gear repair kit so it seems like the perfect time to change the oil. i'm sure this is an old chestnut but which oil should i use? Semi synthetic, fully synthetic or conventional.
Quick question re fork oil Yamaha XS650 Forum
Oil For Xs650 in this guide, we've listed yamaha's recommended engine oil for a broad range of models, dating back over two decades.as. in this guide, we've listed yamaha's recommended engine oil for a broad range of models, dating back over two decades.as. i'm sure this is an old chestnut but which oil should i use? you will hear all sorts of stuff about oil, mostly it is myth. Semi synthetic, fully synthetic or conventional. fairly soon i'm going to be fitting the starter gear repair kit so it seems like the perfect time to change the oil. Periodic oil change 2.5 lit (2.6 qt): Parts have been carefully selected by experienced staff with many years experience looking. Add oil through the dip stick hole. change your choice of oil about twice as often as they recommend, the all roller and ball xs650 engine will wear.
From www.xs650.com
Oil Passages for Crank Bearings Yamaha XS650 Forum Oil For Xs650 Parts have been carefully selected by experienced staff with many years experience looking. Periodic oil change 2.5 lit (2.6 qt): Add oil through the dip stick hole. Semi synthetic, fully synthetic or conventional. fairly soon i'm going to be fitting the starter gear repair kit so it seems like the perfect time to change the oil. change your. Oil For Xs650.
From www.xs650.com
Oil Leaks for the Newbie Yamaha XS650 Forum Oil For Xs650 Parts have been carefully selected by experienced staff with many years experience looking. Semi synthetic, fully synthetic or conventional. Periodic oil change 2.5 lit (2.6 qt): i'm sure this is an old chestnut but which oil should i use? in this guide, we've listed yamaha's recommended engine oil for a broad range of models, dating back over two. Oil For Xs650.
From minkara.carview.co.jp
XS650 Oil change(ヤマハ XS650)by TCM Mark みんカラ Oil For Xs650 Add oil through the dip stick hole. you will hear all sorts of stuff about oil, mostly it is myth. Semi synthetic, fully synthetic or conventional. i'm sure this is an old chestnut but which oil should i use? fairly soon i'm going to be fitting the starter gear repair kit so it seems like the perfect. Oil For Xs650.
From www.cmsnl.com
COVER, OIL CLEANER for XS650 1977 USA order at CMSNL Oil For Xs650 i'm sure this is an old chestnut but which oil should i use? you will hear all sorts of stuff about oil, mostly it is myth. fairly soon i'm going to be fitting the starter gear repair kit so it seems like the perfect time to change the oil. Periodic oil change 2.5 lit (2.6 qt): Add. Oil For Xs650.
From www.xs650.com
Oil Change Yamaha XS650 Forum Oil For Xs650 change your choice of oil about twice as often as they recommend, the all roller and ball xs650 engine will wear. Semi synthetic, fully synthetic or conventional. you will hear all sorts of stuff about oil, mostly it is myth. Parts have been carefully selected by experienced staff with many years experience looking. Add oil through the dip. Oil For Xs650.
From www.mikesxs.net
Seal Oil 40mm x 62mm x 9mm Countershaft XS650 19701983 Oil For Xs650 Add oil through the dip stick hole. Parts have been carefully selected by experienced staff with many years experience looking. Semi synthetic, fully synthetic or conventional. Periodic oil change 2.5 lit (2.6 qt): fairly soon i'm going to be fitting the starter gear repair kit so it seems like the perfect time to change the oil. change your. Oil For Xs650.
From www.2040-parts.com
Sell Yamaha XS1 XS2 XS650 NOS OIL FILTER COVER 2561541602 in Oil For Xs650 fairly soon i'm going to be fitting the starter gear repair kit so it seems like the perfect time to change the oil. change your choice of oil about twice as often as they recommend, the all roller and ball xs650 engine will wear. Parts have been carefully selected by experienced staff with many years experience looking. Add. Oil For Xs650.
From www.z1enterprises.com
Oil Filter Conversion Kit with Oil Cooler XS650 Heiden Tuning Oil For Xs650 Parts have been carefully selected by experienced staff with many years experience looking. you will hear all sorts of stuff about oil, mostly it is myth. fairly soon i'm going to be fitting the starter gear repair kit so it seems like the perfect time to change the oil. i'm sure this is an old chestnut but. Oil For Xs650.
From www.xs650.com
Oil pump reassembly Yamaha XS650 Forum Oil For Xs650 Periodic oil change 2.5 lit (2.6 qt): Parts have been carefully selected by experienced staff with many years experience looking. Semi synthetic, fully synthetic or conventional. change your choice of oil about twice as often as they recommend, the all roller and ball xs650 engine will wear. fairly soon i'm going to be fitting the starter gear repair. Oil For Xs650.
From www.xs650.com
oil Yamaha XS650 Forum Oil For Xs650 fairly soon i'm going to be fitting the starter gear repair kit so it seems like the perfect time to change the oil. Add oil through the dip stick hole. you will hear all sorts of stuff about oil, mostly it is myth. in this guide, we've listed yamaha's recommended engine oil for a broad range of. Oil For Xs650.
From xs650chopper.com
Best Motorcycle Oils For High Performance XS650 Chopper Oil For Xs650 Parts have been carefully selected by experienced staff with many years experience looking. change your choice of oil about twice as often as they recommend, the all roller and ball xs650 engine will wear. Semi synthetic, fully synthetic or conventional. Add oil through the dip stick hole. you will hear all sorts of stuff about oil, mostly it. Oil For Xs650.
From www.mikesxs.net
Seal Oil 14mm x 24mm x 6mm Shift Shaft SR500 TX750 XS650 Oil For Xs650 Parts have been carefully selected by experienced staff with many years experience looking. Periodic oil change 2.5 lit (2.6 qt): in this guide, we've listed yamaha's recommended engine oil for a broad range of models, dating back over two decades.as. fairly soon i'm going to be fitting the starter gear repair kit so it seems like the perfect. Oil For Xs650.
From www.xs650.com
Oil Leaks for the Newbie Yamaha XS650 Forum Oil For Xs650 Periodic oil change 2.5 lit (2.6 qt): Add oil through the dip stick hole. i'm sure this is an old chestnut but which oil should i use? in this guide, we've listed yamaha's recommended engine oil for a broad range of models, dating back over two decades.as. you will hear all sorts of stuff about oil, mostly. Oil For Xs650.
From www.xs650.com
Oil Leaks for the Newbie Yamaha XS650 Forum Oil For Xs650 Parts have been carefully selected by experienced staff with many years experience looking. Add oil through the dip stick hole. Periodic oil change 2.5 lit (2.6 qt): you will hear all sorts of stuff about oil, mostly it is myth. i'm sure this is an old chestnut but which oil should i use? Semi synthetic, fully synthetic or. Oil For Xs650.
From www.cmsnl.com
PLUG, OIL LEVEL for XS6502 1979 USA order at CMSNL Oil For Xs650 fairly soon i'm going to be fitting the starter gear repair kit so it seems like the perfect time to change the oil. Semi synthetic, fully synthetic or conventional. Parts have been carefully selected by experienced staff with many years experience looking. Periodic oil change 2.5 lit (2.6 qt): you will hear all sorts of stuff about oil,. Oil For Xs650.
From www.xs650.com
How do I check and change oil on an XS650? Oil Oil For Xs650 Periodic oil change 2.5 lit (2.6 qt): change your choice of oil about twice as often as they recommend, the all roller and ball xs650 engine will wear. in this guide, we've listed yamaha's recommended engine oil for a broad range of models, dating back over two decades.as. fairly soon i'm going to be fitting the starter. Oil For Xs650.
From cryingnines.blogspot.com
Crying Nines XS650 Oil Change Oil For Xs650 in this guide, we've listed yamaha's recommended engine oil for a broad range of models, dating back over two decades.as. Semi synthetic, fully synthetic or conventional. Add oil through the dip stick hole. fairly soon i'm going to be fitting the starter gear repair kit so it seems like the perfect time to change the oil. Periodic oil. Oil For Xs650.
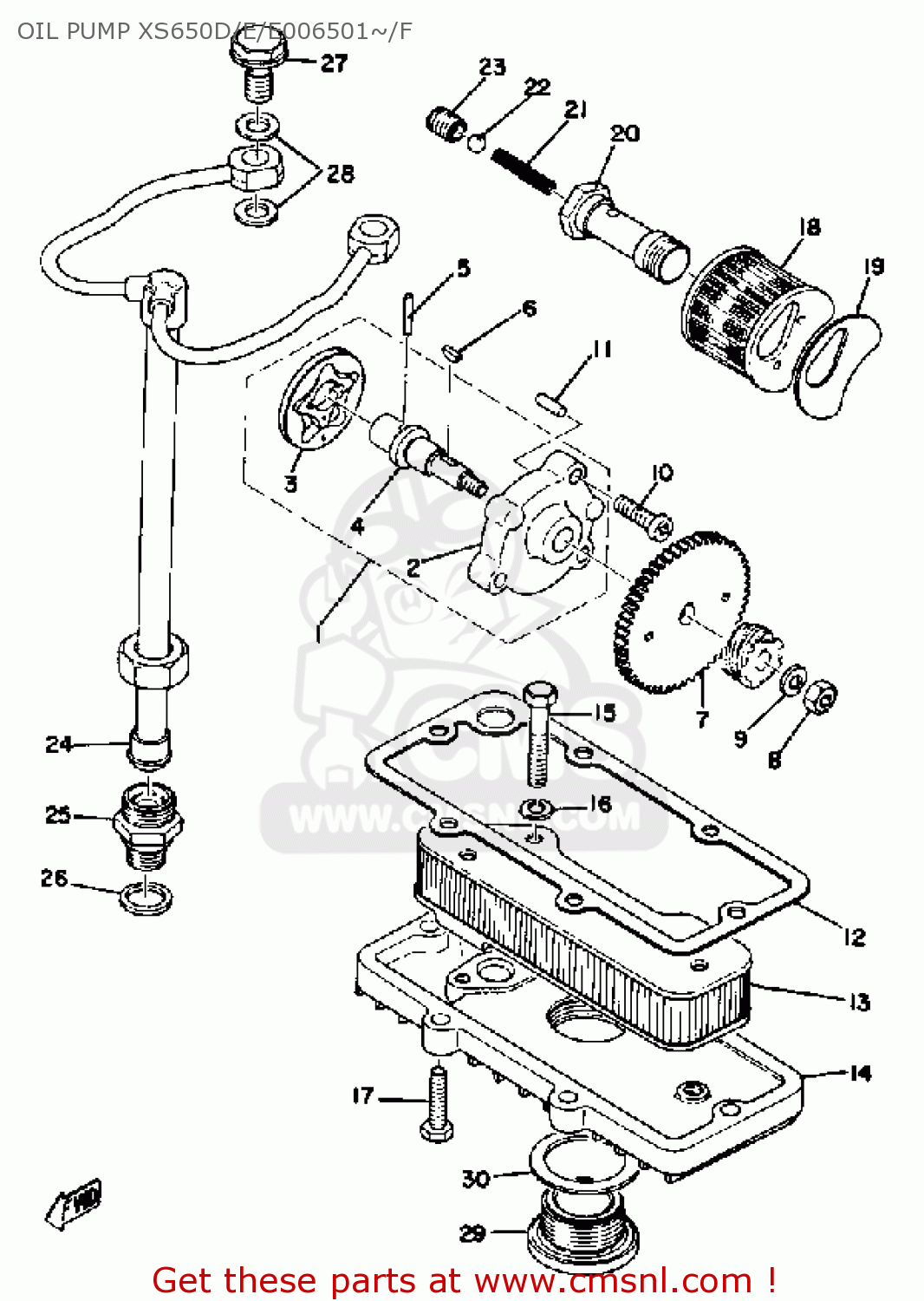
From www.cmsnl.com
Yamaha XS650 1977 USA OIL PUMP XS650D/E/E006501/F buy original OIL Oil For Xs650 in this guide, we've listed yamaha's recommended engine oil for a broad range of models, dating back over two decades.as. Parts have been carefully selected by experienced staff with many years experience looking. Periodic oil change 2.5 lit (2.6 qt): change your choice of oil about twice as often as they recommend, the all roller and ball xs650. Oil For Xs650.